USB-зарядное устройство Wunderlich - SP-Connect
Наш чрезвычайно практичный USB-зарядный блок подходит для всех автомобилей BMW с заводской навигационной системой BMW (Navigator V, VI). Он просто вставляется в кронштейн навигации BMW вместо навигатора, запирается и запирается и защищен от кражи. Питание осуществляется через контакты на кронштейне навигации.
Два порта для быстрой зарядки USB A и USB C
Он имеет два порта USB 3.1 типа A и USB 3.1 типа C на правой стороне корпуса, которые соответствуют стандартам для портов быстрой зарядки QC 3.0 и QC 4.0 (QC = Quick Charge) . выполнить.
Об активности зарядного устройства свидетельствует синий светодиодный индикатор, который хорошо виден прямо над двумя разъемами USB.
Зарядное устройство защищено от брызг. Когда они не используются, они могут быть закрыты плотно прилегающими эластомерными крышками от брызг воды и пыли и, таким образом, защищены.
Больше, чем просто зарядная коробка!
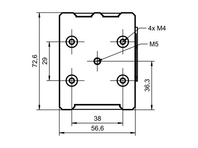
Расположенная по центру винтовая резьба используется для установки нашего адаптера SP-Connect, который является частью этого набора. Ввинченный, его можно использовать для удержания смартфонов. Для этого также требуется чехол для смартфона SP-Connect (45150-xxx), соответствующий модели вашего смартфона.
Наша зарядная коробка оснащена четырьмя винтами спереди. Они расположены точно таким образом, чтобы соответствовать стандартизированной схеме расположения отверстий различных систем крепления, таких как кронштейн навигационного устройства Garmin Zumo XT. Это означает, что эти системы крепления могут быть надежно и компактно прикручены к зарядному устройству в кратчайшие сроки, а устройства могут быть подключены к источнику питания.
Экологичность без компромиссов - Wunderlich BLUE
Для производства зарядного устройства мы используем гибридный материал из переработанного пластика, который мы армируем стекловолокном с долей 20%. Он отличается малой массой компонентов и высокой прочностью корпуса. Таким образом мы защищаем окружающую среду и не идем на компромиссы в отношении стабильности компонентов.
Наша рекомендация: всегда используйте оригинальный зарядный кабель от вашего смартфона. Использование нескольких дополнительных кабелей может привести к увеличению времени зарядки или не распознается смартфоном.
Факты:
функция
Спецификации
особенности
ДОСТАВКА
Мы осуществляем доставку во все города и населенные пункты Украины:
Киев, Харьков, Одесса, Днепропетровск, Львов, Запорожье, Винница, Житомир, Ивано-Франковск, Кировоград, Луцк, Николаев, Полтава, Ровно, Сумы, Тернополь, Ужгород, Херсон, Хмельницкий, Черкассы, Чернигов, Черновцы
Условия доставки
Обратите внимание!!! При рассчете пластиковой картой Visa/MasterCard в нашем интернет-магазине, доставка осуществляется за счет интернет-магазина, независимо от суммы заказа!
по Украине
Доставка по всей территории Украины осуществляется транспортной компанией «Нова Пошта» на указанное Вами отделение, в течении 2-х дней с момента оформления заказа.
Стоимость доставки согласно тарифов ТК «Нова Пошта»
ОПЛАТА
Условия оплаты товара
За любой выбранный товар вы можете рассчитаться любой пластиковой картой Visa/MasterCard в нашем интернет-магазине.
по Украине
Оплата за товар происходит при его получении на складе ТК «Нова Пошта», если вы выбрали вариант наложенного платежа.
| Международные размеры |
Размер | Рост | Объем груди | Объем талии | Объем бедер | Длина брюк | Длина шагового шва |
|
|---|---|---|---|---|---|---|---|---|
| Нормальный | XS | 34 | 168 | 80-83 | 64-67 | 89-92 | 106 | 78 |
| S | 36 | 168 | 84-87 | 68-71 | 93-96 | 106 | 78 | |
| 38 | 168 | 88-91 | 72-75 | 97-100 | 106 | 78 | ||
| M | 40 | 168 | 92-95 | 76-79 | 101-104 | 106 | 78 | |
| 42 | 168 | 96-99 | 80-84 | 105-108 | 106 | 77,5 | ||
| L | 44 | 168 | 100-103 | 85-89 | 109-112 | 106 | 77,5 | |
| 46 | 168 | 104-109 | 90-95 | 113-116 | 106 | 77,5 | ||
| XL | 48 | 168 | 110-115 | 96-101 | 117-120 | 106 | 77,5 | |
| 50 | 168 | 116-121 | 102-107 | 121-124 | 106 | 77,5 | ||
| Длинный | 72 | 176 | 86-89 | 70-73 | 94-97 | 111 | 82 | |
| 76 | 176 | 90-93 | 74-77 | 98-101 | 111 | 82 | ||
| 80 | 176 | 94-97 | 78-81 | 102-105 | 111 | 82 | ||
| 84 | 176 | 98-101 | 82-86 | 106-109 | 111 | 81,5 | ||
| 88 | 176 | 102-105 | 87-91 | 110-113 | 111 | 81,5 | ||
| Короткий | 17 | 160 | 82-85 | 66-69 | 90-93 | 101 | 74 | |
| 18 | 160 | 86-89 | 70-73 | 94-97 | 101 | 74 | ||
| 19 | 160 | 90-93 | 74-77 | 98-101 | 101 | 74 | ||
| 20 | 160 | 94-97 | 78-81 | 102-105 | 101 | 73,5 | ||
| 21 | 160 | 98-101 | 82-86 | 106-109 | 101 | 73,5 | ||
| 22 | 160 | 102-105 | 87-91 | 110-113 | 101 | 73,5 |
| Международные размеры |
Размер | Рост | Объем груди | Объем талии | Объем бедер | Длина брюк | Длина шагового шва |
|
|---|---|---|---|---|---|---|---|---|
| Нормальный | S | 46 | 178 | 92-95 | 80-83 | 96-99 | 98 | 78 |
| M | 48 | 179 | 96-99 | 84-88 | 100-103 | 100,5 | 79 | |
| 50 | 180 | 100-103 | 89-92 | 104-107 | 103 | 80 | ||
| L | 52 | 181 | 104-107 | 93-97 | 108-111 | 104,5 | 81 | |
| 54 | 182 | 108-111 | 98-102 | 112-114 | 106 | 82 | ||
| XL | 56 | 183 | 112-115 | 103-107 | 115-118 | 107,5 | 83 | |
| 58 | 184 | 116-119 | 108-111 | 119-122 | 109 | 84 | ||
| 2XL | 60 | 185 | 120-123 | 112-117 | 123-126 | 110,5 | 85 | |
| 62 | 186 | 124-127 | 118-122 | 127-130 | 112 | 86 | ||
| 3XL | 64 | 187 | 128-131 | 123-126 | 131-134 | 113,5 | 87 | |
| 4XL | 66 | 188 | 132-135 | 127-130 | 135-138 | 115 | 88 | |
| Длинный | 98 | 188 | 97-101 | 86-90 | 100-103 | 110 | 86 | |
| 102 | 189 | 102-105 | 91-95 | 104-107 | 111,5 | 87 | ||
| 106 | 190 | 106-109 | 96-99 | 108-110 | 113 | 88 | ||
| 110 | 191 | 110-113 | 100-104 | 111-114 | 114,5 | 89 | ||
| 114 | 192 | 114-117 | 105-108 | 115-117 | 116 | 90 | ||
| 118 | 193 | 118-121 | 109-113 | 119-121 | 117,5 | 91 | ||
| Короткий | 24 | 171 | 96-99 | 88-92 | 102-105 | 96,5 | 75 | |
| 25 | 172 | 100-103 | 93-96 | 106-109 | 98 | 76 | ||
| 26 | 173 | 104-107 | 97-101 | 110-113 | 99,5 | 77 | ||
| 27 | 174 | 108-111 | 102-106 | 114-116 | 101 | 78 | ||
| 28 | 175 | 112-115 | 107-111 | 117-120 | 102,5 | 79 | ||
| 29 | 176 | 116-119 | 112-115 | 121-124 | 104 | 80 | ||
| 30 | 177 | 120-123 | 116-120 | 125-128 | 105,5 | 81 | ||
| 31 | 178 | 124-127 | 121-124 | 129-132 | 107 | 82 | ||
| 32 | 179 | 128-131 | 125-128 | 133-134 | 108,5 | 83 |
| Международные размеры |
Объем груди | Стандартные женские размеры | Стандартные мужские размеры | |
|---|---|---|---|---|
| XS | 80-86 | 34/36 | ||
| S | 87-90 | 38 | 44 | |
| M | 91-98 | 40 | 46/48 | |
| L | 99-104 | 42/44 | 50/52 | |
| XL | 105-111 | 46/48 | 52/54 | |
| 2XL | 112-119 | 50 | 56/58 | |
| 3XL | 120-126 | 52/54 | 60/62 |
Оптимальный покрой мотокостюма является во многом решающим фактором: если костюм жмет, концентрация мотоциклиста может быть нарушена. То же самое происходит, если костюм «болтается». Так или иначе, это приводит к снижению уровня безопасности.
Важным моментом является также отличная посадка куртки и брюк: рукава и штанины не должны задираться. Это важно как для безопасности, так и для защиты от непогоды.
Поэтому все костюмы скроены по фасону специально для езды на мотоцикле, имеют многочисленные возможности регулировки ширины и различные полезные детали, например, растягивающиеся складки. Однако, основным условием того, чтобы костюм «сидел, как влитой», является правильный выбор размера.
Более 40 различных размеров учитывают практически все особенности человеческой фигуры. Вы сами можете снять с себя точные мерки!
Здесь приведена информация о том, как это правильно сделать.